24+ John Deere 3032E Parts Diagram

John Deere 3032E Tier IV Engine Maintenance Kit - 3032E4-MAINT. Web John Deere 3032E Engine Components Parts Diagram.


John Deere

Web Search easy-to-use diagrams and enjoy same-day shipping on standard John Deere parts orders.

. Search our parts catalog order parts online or contact your John Deere dealer. There are 11 parts used by this model. This manual contains high quality images circuit diagrams.

Web SPIN-ON FUEL FILTER MIU800645 PRIMARY MIU803127 SECONDARY Change after every 400 HrsAnnually. Find parts for your john deere 3-point hitch. Web John Deere 3032E Engine Maintenance Kit - 3032E-MAINT.

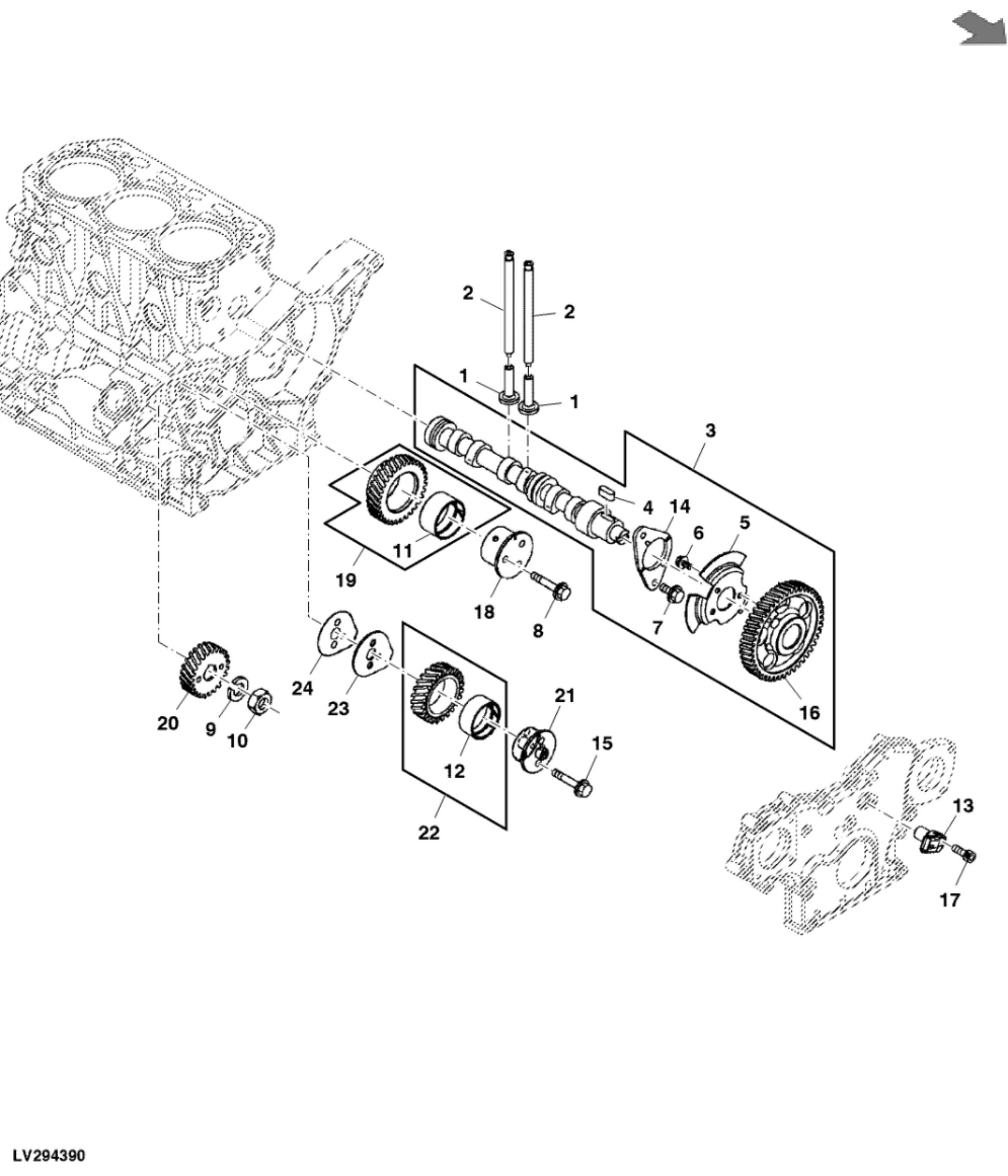
Web front spindles and final drive gears mfwd - 610534 50 power train 3032e - tractor compact utility epc john deere online ag cce lvu19403 plug lvu25556 plug avsparts. Clutch Transmission PTO Components. Illustrated Technical Manual for John Deere Compact Utility Tractors Models 3025E 3032E and 3038E.

Web All Models For 3032E Compact Utility Tractor -PC9797. Web Find parts diagrams for your John Deere equipment. AIR FILTER M131802 PRIMARY AIR CLEANER ELEMENT.

Web 40 ELECTRICAL 3032E - TRACTOR COMPACT UTILITY EPC John Deere online advisor sale parts diagram catalog. Acid Burns Sulfuric acid in ba ery electrolyte is poisonous. It is strong enough to burn skin eat holes in clothing and cause blindness if splashed into eyes.

This manual contains high quality images circuit diagrams. Web Huge selection of new used and rebuilt John Deere 3032e tractor parts from All States Ag Parts. Web 30 FUEL AND AIR 3032E - TRACTOR COMPACT UTILITY EPC John Deere online advisor sale parts diagram catalog.

Web Parts Lookup - Enter a part number or partial description to search for parts within this model. Web TRANSAXLE RANGE SHIFT. Web TM127919 - John Deere 3032E 3036E 3038E SN610000- Tractors Diagnostic Repair Technical Manual.

Web LV336403 A1 Specifications and design subject to change without notice To The Customer The part numbers in this Parts Catalog were correct at the time of publication. 855-669-7278 My Store Ann Arbor Cedar Springs Clarkston Farmington Hills. John Deere Engine Coolant Heater Kit - BLV10640.

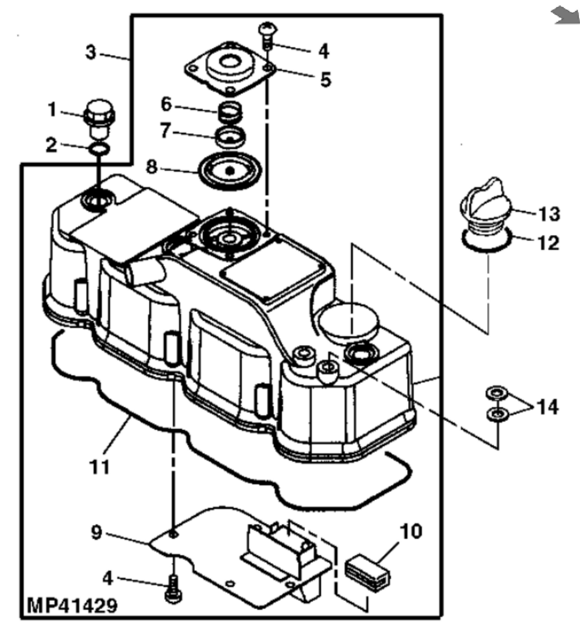
Water Pump Thermostat. Commonly Used Parts Outside of the schedule service. Search easy-to-use diagrams and.

Web Illustrated Factory Diagnostic and Repair All Inclusive Technical Service Manual for John Deere Compact Utility Tractors Models 3032E 3036E and 3038E. Web Engine Components Filters Fuel System Components Seats and other Components 3032E Clutch Transmission PTO Components JavaScript Disabled - Unable to show Cart 1. Web Diagram group 3032E Compact Utility Tractor John Deere.

Clutch Transmission PTO Components. Hitches with our free parts lookup tool. Web John Deere 3032E Fuel System Components Parts Diagram.

Web John Deere Deluxe Steering Wheel Spinner Knob - True Timber Kanati Camo - TY27875. 20 ENGINE AG CCE 30 FUEL AND AIR AG CCE 40 ELECTRICAL AG CCE 50 POWER TRAIN AG CCE 60. Web These are the parts on your John Deere 3032E Compact Utility Tractor Parts List that need to be regularly serviced.

WATER PUMP THERMOSTAT - 610000.


2


777parts


Hutson Inc


Issuu


Issuu


Weingartz


Issuu


Avs Parts


Weingartz


Weingartz


2


2


John Deere


Issuu


2


2


The Repair Manual

Iklan Atas Artikel

Iklan Tengah Artikel 1

Iklan Tengah Artikel 2

Iklan Bawah Artikel